Kirjeldus
Miks valida Aertecnica Studio TS 2?
Vaikne töö
Studio TS2 töötab kõigest umbes 56 dB müratasemega, mis on võrreldav tavalise vestluse helitugevusega. See tähendab, et saad kodu puhastada häirimata igapäevast rahu ja vaikust.
Tugev imemisvõimsus
Studio TS seadmed tagavad võimsa imemisjõu, mis eemaldab efektiivselt tolmu ja mustuse igalt pinnalt. Seade sobib ideaalselt nii väiksemate kui suuremate majapidamiste põhjalikuks koristamiseks.
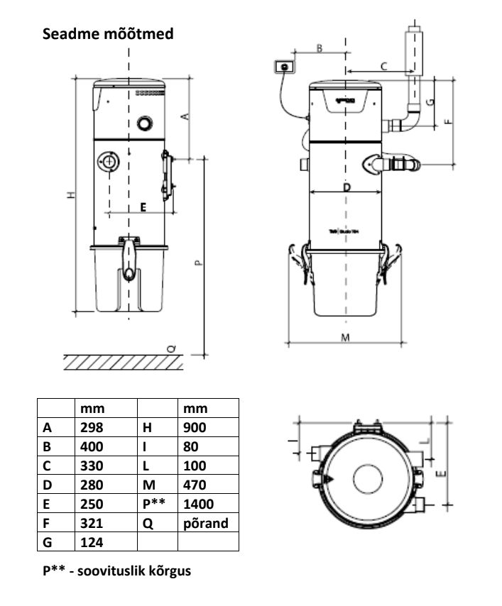
Kompaktne ja vastupidav disain
Kvaliteetne metallkorpus tagab pika tööea ja vastupidavuse. Tänu kompaktsetele mõõtudele sobib see ka väikestesse tehnilistesse ruumidesse.
Lihtne hooldus
Seadmel on pestav polüestrist filter, mida saab korduvalt kasutada ilma lisakuludeta. 15-liitrine tolmukonteiner teeb tühjendamise kiireks ja mugavaks. Filtri puhastamist ja prügiurni tühjendamist tuleb jälgida ise, sest seade sellekohast teavet ei jaga.
Energiat säästev Soft Start süsteem
Soft Start tehnoloogia käivitab mootori sujuvalt, vähendades elektritarbimist ja pikendades mootori eluiga. See tagab nii keskkonnasõbralikuma kui ka töökindlama lahenduse sinu koju.





